特点:
• 性能好、精度高 - 此卡盘与CAS型卡盘结构相同,因此确保其优越的性能和质量,且附件和连接部件具有兼容性。
• 直接安装型 - 可直接安装在符合国际标准A型主轴的短锥安装面上。
• 便于安装选择 - 可通过转接法兰与各种不同规格的主轴连接,扩大了其使用范围。
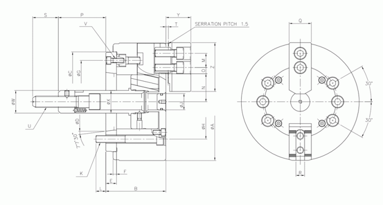
图纸
规格表:
|
Spec
Model
|
Order NO. | Spindle nose NO. | Jaw stroke(Diameter) mm | Plunger stroke mm | Gripping Max | Gripping Min | Max. permissible input force KN(kgf) |
| CASTA-06 | 1ASTA06 | A2-5 | 9.2 | 20 | 165 | 19 | 12.6(1279) |
| CASTA-08 | 1ASTA08 | A2-6 | 8.8 | 21 | 210 | 23 | 18.6(1885) |
| CASTA-10 | 1ASTA10 | A2-8 | 8.8 | 25 | 254 | 24 | 21.6(2187) |
| CASTA-12 | 1ASTA12 | A2-8 | 10.5 | 30 | 304 | 26 | 27.6(2793) |
|
Spec
Model
|
Max. static gripping force KN(kgf) | Max. Permissible speed r.p.m | weight(With standard soft jaws) | Gd moment of inertia | matching cylinder | Matching hard jaw | |
| CASTA-06 | 41.9(4241) | 4300 | 12.5 | 1.67(0.17) | YAS,C,P,T-100 | SJ-06T1 | |
| CASTA-08 | 53.2(5385) | 3600 | 24 | 5.20(0.53) | YAS,C,P,T-125 | SJ-08T1 | |
| CASTA-10 | 76.5(7742) | 3100 | 35.5 | 11.47(1.17) | YAS,C,P,T-125 | SJ-10T1 | |
| CASTA-12 | 104.4(10569) | 2500 | 60.5 | 27.75(2.83) | YAS,C,P,T-150 | SJ-12A2 |
尺寸表
|
Item
Model
|
A | B | C | D | E | F | G | J | K | L | M | N Max | N Min |
| CASTA-06 | 169 | 84 | 140 | 82.563 | 15 | 5 | 104.8 | 23 | 6-M10 | 14 | 20 | 41 | 36.7 |
| CASTA-08 | 210 | 97 | 170 | 106.375 | 17 | 5 | 133.4 | 28 | 6-M12 | 18 | 25 | 46.3 | 41.9 |
| CASTA-10 | 254 | 102 | 220 | 139.719 | 18 | 5 | 171.4 | 34 | 6-M16 | 25 | 30 | 51.1 | 46.7 |
| CASTA-12 | 304 | 118 | 220 | 139.719 | 18 | 6 | 171.4 | 39 | 6-M16 | 25 | 30 | 61 | 55.7 |
|
Item
Model
|
O Max | O Min | P Max | P Min | R | S | T | V | W | X | Y | Z | ||
| CASTA-06 | 13 | 7 | 86.5 | 66.5 | 12 | 36 | 4 | M16X2.0 | 3-M6 | 32 | 32 | 35 | 72 | |
| CASTA-08 | 22.5 | 9 | 110 | 89 | 14 | 36 | 5 | M20X2.5 | 3-M6 | 38 | 38 | 43 | 95 | |
| CASTA-10 | 30.7 | 11.2 | 140 | 115 | 16 | M20X2.5 | 3-M8 | 38 | 44 | 50 | 110 | |||
| CASTA-12 | 48.7 | 12.7 | 145 | 115 | 18 | 36 | 5 | M20X2.5 | 3-M8 | 38 | 50 | 54 | 111 |





同类产品



