韩国瑞岩三爪浮动补偿卡盘(SM-COD)系列
韩国瑞岩SEOAM三爪补偿卡盘-浮动型(SM-COD)是一款浮动补偿动力卡盘, 带顶尖设计,适合加工长轴类工件。产品特点:1、浮动补偿动力卡盘, 带顶尖设计,适合加工长轴类工件。2、轴向尺寸有要求时使用弹簧顶尖,对轴心要求高精度时可使用死顶
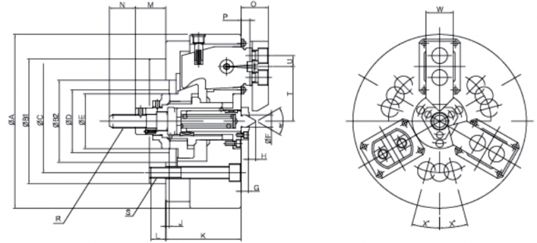
韩国瑞岩SEOAM三爪补偿卡盘-浮动型(SM-COD)是一款浮动补偿动力卡盘, 带顶尖设计,适合加工长轴类工件。
产品特点:
1、浮动补偿动力卡盘, 带顶尖设计,适合加工长轴类工件。
2、轴向尺寸有要求时使用弹簧顶尖,对轴心要求高精度时可使用死顶尖。
3、是加工轴的专用卡盘。卡爪具有后拉夹紧的功能因此可得到高精密度。





